Hardware ⇒ Ddc-04-01xx
Сценарный выключатель одноклавишный (2-кнопочный) с индикацией
документация обновлена 01.01.2024
Описание
Сценарный выключатель предназначен для запуска сценариев управления элементами электрооборудования квартиры или дома:
- световыми группами;
- приводами штор;
- регулировки температуры воздуха в помещении.
Функции
- настройка назначения кнопок (сценарии, прямое управление);
- измерение температуры воздуха в помещении встроенным датчиком;
- 2 кнопки с подсветкой режимов (постоянно включена или выключена, настраивается в ПО)

Технические характеристики
| Код продукта | |'Без фаски ' | 'Алюминий ' | Ddc-04-0101 (Белый) | Ddc-04-0104 (Графит) | Ddc-04-0105 (Черный) | Ddc-04-0106 (Шоко) | Ddc-04-0107 (Бежевый) | Ddc-04-0108 (Сатинирование гориз.) | Ddc-04-0109 (Сатинирование перекр.) | Ddc-04-0110 (Античный) | 'Латунь ' | Ddc-04-0117 (Сатинирование гориз.) | Ddc-04-0118 (Двойное сатинирование с патинированием) | Ddc-04-0119 (Сатинирование с античным патинированием) | 'Медь ' | Ddc-04-0114 (Сатинирование гориз.) | 'С фаской ' | 'Алюминий ' | Ddc-04-1-0101 (Белый) | Ddc-04-1-0104 (Графит) | Ddc-04-1-0105 (Черный) | Ddc-04-1-0106 (Шоко) | 'Латунь ' | Ddc-04-1-0107 (Белый) | Ddc-04-1-0108 (Графит) | Ddc-04-1-0109 (Черный) | Ddc-04-1-0110 (Шоко) | Ddc-04-1-0111 (Гидроабразив) |
| Сенсоры | встроенный датчик температуры | |||||||||||||||||||||||||||
| Температурный диапазон | -20...+50 °С | |||||||||||||||||||||||||||
| Управление | 2 кнопки с подсветкой | |||||||||||||||||||||||||||
| Размеры в мм.. | 86 x 86 x 29 | |||||||||||||||||||||||||||
| Материал корпуса | алюминий/латунь/медь | |||||||||||||||||||||||||||
| Питание | Номинальное: 24 В постоянного тока Максимальное: 30 В постоянного тока | |||||||||||||||||||||||||||
| Потребляемый ток | до 25 мА | |||||||||||||||||||||||||||
| Интерфейс | сухие контакты | |||||||||||||||||||||||||||
| Класс защиты | IP20 | |||||||||||||||||||||||||||
| Монтаж | в подрозетник внутренним размером: диаметр 66 х глубина 45 мм |
Варианты применения:

Габаритные размеры

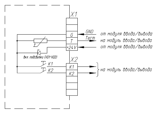
Разъем на корпусе

Назначение контактов:
Х1:
- питание
- 24V
- встроенный датчик температуры
- G
- T
- Кнопки (сухой контакт)
- K1
- K2
X2:
- Сигнал управления подсветкой клавиш
- 30V
Схема принципиальная электрическая сценарного выключателя

Особенности
- Может использоваться в качестве сетевого датчика температуры для термостатов
Монтаж и подключение


-
Сценарный выключатель состоит из блока выключателя с клавишами и металлического суппорта, которые соединяются между собой при помощи магнитов. Перед монтажом выключателя необходимо отсоединить суппорт от блока выключателя, прикрутить его шурупами\саморезами в подрозетник внутренним диаметром 66 мм и глубиной не менее 45 мм. Подключить кабель согласно маркировки на корпусе и установить выключатель на суппорт.
-
Для подключения сценарного выключателя к модулям ввода/вывода рекомендуется применять провод UTP CAT5 с диаметром жил не менее 0,52 мм и волновым сопротивлением 100 Ом и омическим сопротивлением не более 9,4 Ом на 100 метров.
-
Монтаж и техническое обслуживание изделия должно производиться только подготовленными специалистами с соблюдением мер безопасности.
-
Все работы по подключению изделия должны производиться только при отключенном напряжении.
Конструкцией предусмотрено два варианта монтажа сценарного выключателя:
Накладной монтаж. Предназначен при использовании в проекте прочих рамок толщиной 9,5мм.
Утопленный в стену монтаж с использованием закладной детали РЕУМ.469459.04.103. Предназначен при использовании в проекте прочих рамок толщиной 3,8мм.

Накладной монтаж (видимая часть рамки - 9,5мм)

Утопленный в стену монтаж (видимая часть рамки - 3,8мм)

Суппорт, установленный на закладную деталь
Подробнее о монтаже закладной детали смотрите в видеообзорах для гипсокартонных стен и для бетонных стен. ## Текущий ремонт
При обнаружении неисправности в ходе эксплуатации, необходимо немедленно отключить устройство от питающей сети и вызвать обслуживающий персонал. Ремонт устройства в течение гарантийного срока и сервисное обслуживание производит дилер изготовителя.
Хранение, транспортировка и срок службы
Изделия должны храниться в упаковке при температуре от -40○С до +85○С и относительной влажности воздуха 95% при +25○С в отапливаемых и естественно вентилируемых складах, в хранилищах с кондиционированием воздуха, при отсутствии в нем агрессивных примесей, токопроводящей пыли, паров кислот и щелочей, а также газов, вызывающих коррозию и разрушающих изоляцию. При хранении резкие колебания температуры (более 3○С/мин) и влажности (более 5%/мин) воздуха не допускаются.
Транспортирование изделий должно осуществляться в упакованном виде в контейнерах, закрытых железнодорожных вагонах, отапливаемых герметизированных отсеках самолетов и трюмов, а также автомобильным транспортом с защитой от осадков на любые расстояния при температуре от -40○С до +85○С, при относительной влажности воздуха до 95% при +25○С. При транспортировании изделий должна быть предусмотрена защита от попадания пыли и атмосферных осадков.
Гарантия изготовителя
Гарантийный срок эксплуатации - 24 месяца (2 года) со дня продажи. При отсутствии отметки о продаже - с даты изготовления, в пределах гарантийного срока хранения 36 месяцев.
Гарантии изготовителя не распространяются в случаях:
-
нарушения правил транспортирования, хранения, монтажа и эксплуатации, установленных в технических условиях и эксплуатационной документации;
-
наличия механических повреждений и перепаек, не предусмотренных эксплуатационной документацией;
-
монтажа и эксплуатации устройств не обученным и неаттестованным персоналом;
-
использования изделий не по назначению.
Средний срок службы изделия - не менее 5 лет.
Комплектность
- Сценарный выключатель Ddc-04-01xx - 1шт.
- Разъемы - 2 шт.
- Упаковка (1шт.)
Возможные неисправности
| Неисправность | Вероятная причина | Устранение неисправности |
| Изделие не выполняет ожидаемый функционал | Шина не подключена | Подключить шину |
| Шина закорочена | Проверить шину на наличие КЗ, если есть - устранить | |
| Механическое повреждение | Заменить выключатель |
Утилизация
По окончании срока службы изделие подлежит утилизации в соответствии с законодательством страны (места эксплуатации).
Безопасность
ВНИМАНИЕ: монтаж устройства осуществляется при выключенном питании устройства.
ПРЕДОСТЕРЕЖЕНИЕ: не допускается использовать устройство в системах, ответственных за безопасность людей, животных, материальных ценностей, а также в системах, отказ которых приведёт к нарушению безопасности.