Hardware ⇒ Ddc-03-45-03xx
Сценарный выключатель серии Slim 4-кнопочный, модуль 45х45, сухие контакты
документация обновлена 01.01.2024
Описание
Сценарный выключатель предназначен для запуска сценариев управления элементами электрооборудования квартиры или дома:
- световыми группами;
- приводами штор;
- регулировки температуры воздуха в помещении.
Функции
- настройка назначения кнопок (сценарии, прямое управление);
- измерение температуры воздуха в помещении встроенным датчиком;
- 4 кнопки

Технические характеристики
| Код продукта: | Ddc-03-45-0301 | Ddc-03-45-0304 | Ddc-03-45-0305 | Ddc-03-45-0306 | Ddc-03-45-0307 | Ddc-03-45-0311 | Ddc-03-45-0312 | Ddc-03-45-0313 | Ddc-03-45-0315 | Ddc-03-45-0320 | Ddc-03-45-0321 | | Материал кнопки: | алюминий | алюминий | алюминий | алюминий | алюминий | алюминий | алюминий | алюминий | медь | латунь | нерж. сталь | | Вид отделки: | Белый | Графит | Черный | Шоко | Бежевый | Анодир. черный | Анодир. бронза | Анодир. св. золото | Патинированная | Полированная | Полированная | |||
| Сенсоры | встроенный датчик температуры | |||||||||||||||||||||||||||||||||||||
| Температурный диапазон | -20...+50 °С | |||||||||||||||||||||||||||||||||||||
| Управление | 4 кнопки | |||||||||||||||||||||||||||||||||||||
| Размеры мм. | 73,8 x 73,8 x 21,5 мм (без рамки) | |||||||||||||||||||||||||||||||||||||
| Материал корпуса | металл, пластик | |||||||||||||||||||||||||||||||||||||
| Интерфейс | Сухие контакты | |||||||||||||||||||||||||||||||||||||
| Класс защиты | IP20 | |||||||||||||||||||||||||||||||||||||
| Монтаж | в стандартный подрозетник |
Варианты применения:

Габаритные размеры

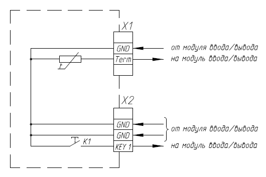
Разъем на корпусе

Назначение контактов:
Х1:
- встроенный датчик температуры
- GND
- Term
X2:
- Кнопка (сухой контакт) **GND
- Key_1
- Key_2
- Key_3
- Key_4
Схема принципиальная электрическая сценарного выключателя

Особенности
- Может использоваться в качестве сетевого датчика температуры для термостатов
Монтаж и подключение

-
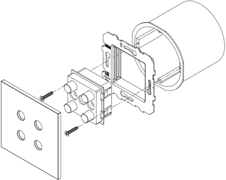
4-кнопочный сценарный выключатель состоит из блока выключателя с кнопками, декоративной рамки и металлического суппорта, которые соединяются между собой при помощи магнитов. Перед монтажом сценарного выключателя необходимо подключить клеммные колодки (датчика температуры и кнопок) к разъемам на корпусе выключателя, суппорт с блоком выключателя прикрутить шурупами\саморезами в стандартный подрозетник 68 мм, установить декоративную рамку.
-
Для подключения сценарного выключателя к модулям ввода/вывода рекомендуется применять провод UTP CAT5 с диаметром жил не менее 0,52 мм и волновым сопротивлением 100 Ом и омическим сопротивлением не более 9,4 Ом на 100 метров.
-
Монтаж и техническое обслуживание изделия должно производиться только подготовленными специалистами с соблюдением мер безопасности.
-
Все работы по подключению изделия должны производиться только при отключенном напряжении.
Текущий ремонт
При обнаружении неисправности в ходе эксплуатации, необходимо немедленно отключить устройство от питающей сети и вызвать обслуживающий персонал. Ремонт устройства в течение гарантийного срока и сервисное обслуживание производит дилер изготовителя.
Хранение, транспортировка и срок службы
Изделия должны храниться в упаковке при температуре от -40○С до +85○С и относительной влажности воздуха 95% при +25○С в отапливаемых и естественно вентилируемых складах, в хранилищах с кондиционированием воздуха, при отсутствии в нем агрессивных примесей, токопроводящей пыли, паров кислот и щелочей, а также газов, вызывающих коррозию и разрушающих изоляцию. При хранении резкие колебания температуры (более 3○С/мин) и влажности (более 5%/мин) воздуха не допускаются.
Транспортирование изделий должно осуществляться в упакованном виде в контейнерах, закрытых железнодорожных вагонах, отапливаемых герметизированных отсеках самолетов и трюмов, а также автомобильным транспортом с защитой от осадков на любые расстояния при температуре от -40○С до +85○С, при относительной влажности воздуха до 95% при +25○С. При транспортировании изделий должна быть предусмотрена защита от попадания пыли и атмосферных осадков.
Гарантия изготовителя
Гарантийный срок эксплуатации - 24 месяца (2 года) со дня продажи. При отсутствии отметки о продаже - с даты изготовления, в пределах гарантийного срока хранения 36 месяцев.
Гарантии изготовителя не распространяются в случаях:
-
нарушения правил транспортирования, хранения, монтажа и эксплуатации, установленных в технических условиях и эксплуатационной документации;
-
наличия механических повреждений и перепаек, не предусмотренных эксплуатационной документацией;
-
монтажа и эксплуатации устройств не обученным и неаттестованным персоналом;
-
использования изделий не по назначению.
Средний срок службы изделия - не менее 5 лет.
Комплектность
-
Модуль сценарного выключатель с металлическим суппортом - 1 шт;
-
Декоративная рамка - 1 шт;
-
Упаковка - 1 шт;
-
Паспорт (по запросу) - 1 шт
Возможные неисправности
| Неисправность | Вероятная причина | Устранение неисправности |
| Изделие не выполняет ожидаемый программный функционал | Шина не подключена | Подключить шину |
| Шина закорочена | Проверить шину на наличие КЗ, если есть - устранить | |
| Механическое повреждение | Заменить выключатель |
Утилизация
По окончании срока службы изделие подлежит утилизации в соответствии с законодательством страны (места эксплуатации).
Безопасность
ВНИМАНИЕ: монтаж устройства осуществляется при выключенном питании устройства.
ПРЕДОСТЕРЕЖЕНИЕ: не допускается использовать устройство в системах, ответственных за безопасность людей, животных, материальных ценностей, а также в системах, отказ которых приведёт к нарушению безопасности.