Hardware ⇒ Ddc-02-71-02хх
Сценарный выключатель 1-клавишный (4-кнопочный), модуль 71х71
документация обновлена 01.01.2024
Описание
Сценарный выключатель предназначен для запуска сценариев управления элементами электрооборудования квартиры или дома:
-
световыми группами;
-
приводами штор;
-
измерение температуры воздуха в помещении.
Функции
-
настройка назначения кнопок (сценарии, прямое управление);
-
измерение температуры воздуха в помещении встроенным датчиком;
-
4 кнопки

Технические характеристики
| Параметр | Значение | |||||||||
| Код продукта | Ddc-02-71-0201 (Белый) | Ddc-02-71-0201st (Белый softtouch) | Ddc-02-71-0202 (Серебристый) | Ddc-02-71-0203 (Шампань) | Ddc-02-71-0204 (Графит) | Ddc-02-71-0204st (Графит softtouch) | Ddc-02-71-0205 (Черный) | Ddc-02-71-0205st (Черный softtouch) | Ddc-02-71-0206 (Шоко) | |
| Сенсоры | встроенный датчик температуры | |||||||||
| Температурный диапазон | -20...+50 °С | |||||||||
| Управление | 4 кнопки с нейтральным положением | |||||||||
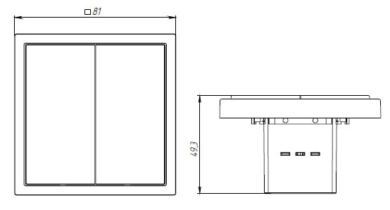
| Размеры в мм. | 81 x 81 x 49,3 | |||||||||
| Материал корпуса | пластик | |||||||||
| Питание | Номинальное: 24 В постоянного тока | Максимальное: 30 В постоянного тока | ||||||||
| Потребляемый ток | до 25 мА | |||||||||
| Интерфейс | сухие контакты | |||||||||
| Класс защиты | IP20 | |||||||||
| Монтаж | в подрозетник внутренним размером: диаметр 66 х глубина 60 мм |
Варианты применения

Габаритные размеры

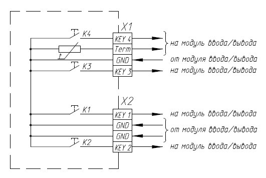
Разъемы на корпусе

Назначение контактов X1:
- встроенный датчик температуры
- GND **Term
X2:
- Кнопки (сухой контакт)
- GND
- Key_1
- Key_2
- Key_3
- Key_4
Схема принципиальная электрическая сценарного выключателя

Особенности
- Может использоваться в качестве сетевого датчика температуры для термостатов;
Монтаж и подключение

- Сценарный выключатель состоит из блока выключателя с клавишей, декоративной рамки и металлического суппорта. Металлический суппорт крепится к подрозетнику диаметром 68 мм, глубиной 60 мм саморезами, к нему крепится блок выключателя при помощи четырех винтов.
- Декоративная рамка фиксируется на суппорте язычками, затем устанавливается клавиша.
- Подключение кабеля производится согласно маркировки на корпусе.
- Для подключения сценарного выключателя к CAN-шине и к блоку питания рекомендуется применять кабель UTP CAT5 с диаметром жил не менее 0,52 мм, волновым сопротивлением 100 Ом и омическим сопротивлением не более 9,4 Ом на 100 метров.
- Монтаж и техническое обслуживание изделия должно производиться только подготовленными специалистами с соблюдением мер безопасности.
- Для демонтажа клавиши необходимо использовать отвёртку с диаметром жала 3 мм. Нажать клавишу вверх (1), в нижней части клавиши станет доступно отверстие для демонтажа, вставить отвёртку в отверстие и потянуть на себя (2).
- Все работы по подключению изделия должны производиться только при отключенном напряжении.

Текущий ремонт
При обнаружении неисправности в ходе эксплуатации, необходимо немедленно отключить устройство от питающей сети и вызвать обслуживающий персонал. Ремонт устройства в течение гарантийного срока и сервисное обслуживание производит дилер изготовителя.
Хранение, транспортировка и срок службы
Изделия должны храниться в упаковке при температуре от -40○С до +85○С и относительной влажности воздуха 95% при +25○С в отапливаемых и естественно вентилируемых складах, в хранилищах с кондиционированием воздуха, при отсутствии в нем агрессивных примесей, токопроводящей пыли, паров кислот и щелочей, а также газов, вызывающих коррозию и разрушающих изоляцию. При хранении резкие колебания температуры (более 3○С/мин) и влажности (более 5%/мин) воздуха не допускаются. Транспортирование изделий должно осуществляться в упакованном виде в контейнерах, закрытых железнодорожных вагонах, отапливаемых герметизированных отсеках самолетов и трюмов, а также автомобильным транспортом с защитой от осадков на любые расстояния при температуре от -40○С до +85○С, при относительной влажности воздуха до 95% при +25○С. При транспортировании изделий должна быть предусмотрена защита от попадания пыли и атмосферных осадков.
Гарантия изготовителя
Гарантийный срок эксплуатации - 24 месяца (2 года) со дня продажи. При отсутствии отметки о продаже - с даты изготовления, в пределах гарантийного срока хранения 36 месяцев.
Гарантии изготовителя не распространяются в случаях:
- нарушения правил транспортирования, хранения, монтажа и эксплуатации, установленных в технических условиях и эксплуатационной документации;
- наличия механических повреждений и перепаек, не предусмотренных эксплуатационной документацией;
- монтажа и эксплуатации устройств не обученным и неаттестованным персоналом;
- использования изделий не по назначению.
Средний срок службы изделия - не менее 5 лет.
Комплектность
| Разъемы | - 2 шт. |
| Винты | - 4шт. |
| Упаковка | - 1шт. |
| Паспорт (по запросу) | - 1шт. |
Возможные неисправности
| Изделие не выполняет ожидаемый функционал | Шина не подключена | Подключить шину |
| Шина закорочена | Проверить шину на наличие КЗ, если есть - устранить | |
| Механическое повреждение | Заменить выключатель |
Утилизация
По окончании срока службы изделие подлежит утилизации в соответствии с законодательством страны (места эксплуатации).
Безопасность
ВНИМАНИЕ: монтаж устройства осуществляется при выключенном питании устройства.
ПРЕДОСТЕРЕЖЕНИЕ: не допускается использовать устройство в системах, ответственных за безопасность людей, животных, материальных ценностей, а также в системах, отказ которых приведёт к нарушению безопасности.